
Назначение: выработка насыщенного водяного пара.
Вид топлива: природный газ ГОСТ 5542, дизельное топливо ГОСТ 305.
Расчетный срок службы: 20 лет на природном газе.
Базовый комплект поставки: котел, экономайзер, эксплуатационная документация, дополнительная комплектация (по согласованию с заказчиком).
Рекомендуемые услуги
|
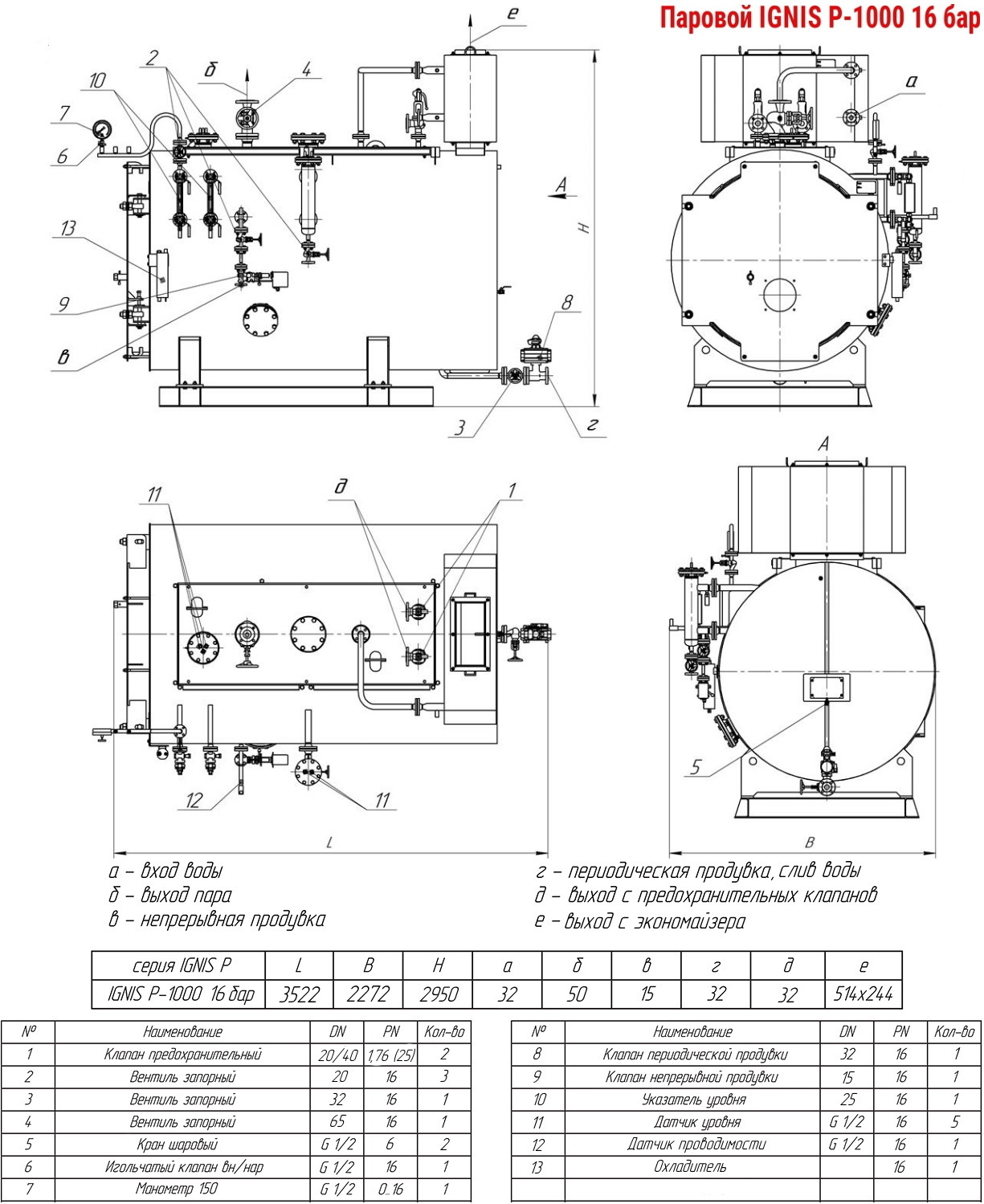
Характеристики |
IGNIS Р-1000 16 бар |
|
Вид топлива |
Газ/дизель |
|
Паропроизводительность, т/ч |
1,0 |
|
Теплопроизводительность, МВт |
0,64 |
|
Средний эксплуатационный КПД с экономайзером (газ), % |
92,5 |
|
Температура, °С |
|
|
Рабочее давление воды, МПа/бар, не более |
1,6/16 |
|
Гидравлическое сопротивление котла по воде/пару, кПа, не более |
10/7,6 |
|
Аэродинамическое сопротивление котла/экономайзера, Па, не более |
398/220 |
|
Номинальный расход воды через котел, м3/ч |
1,1 |
|
Температура дымовых газов на выходе из котла, °С |
180…280 |
|
Присоединительные размеры, мм |
50 32 500х230 |
|
Водяной объем котла, м3 |
3,1 |
|
Габаритные размеры котла по легкой обмуровке, мм |
3160/ 1905/ 2276/ |
|
Масса котла/с экономайзером без воды, кг |
3900 |
|
Длина топочного пространства, мм |
1850 |
|
IGNIS Р-1000 16 бар |