
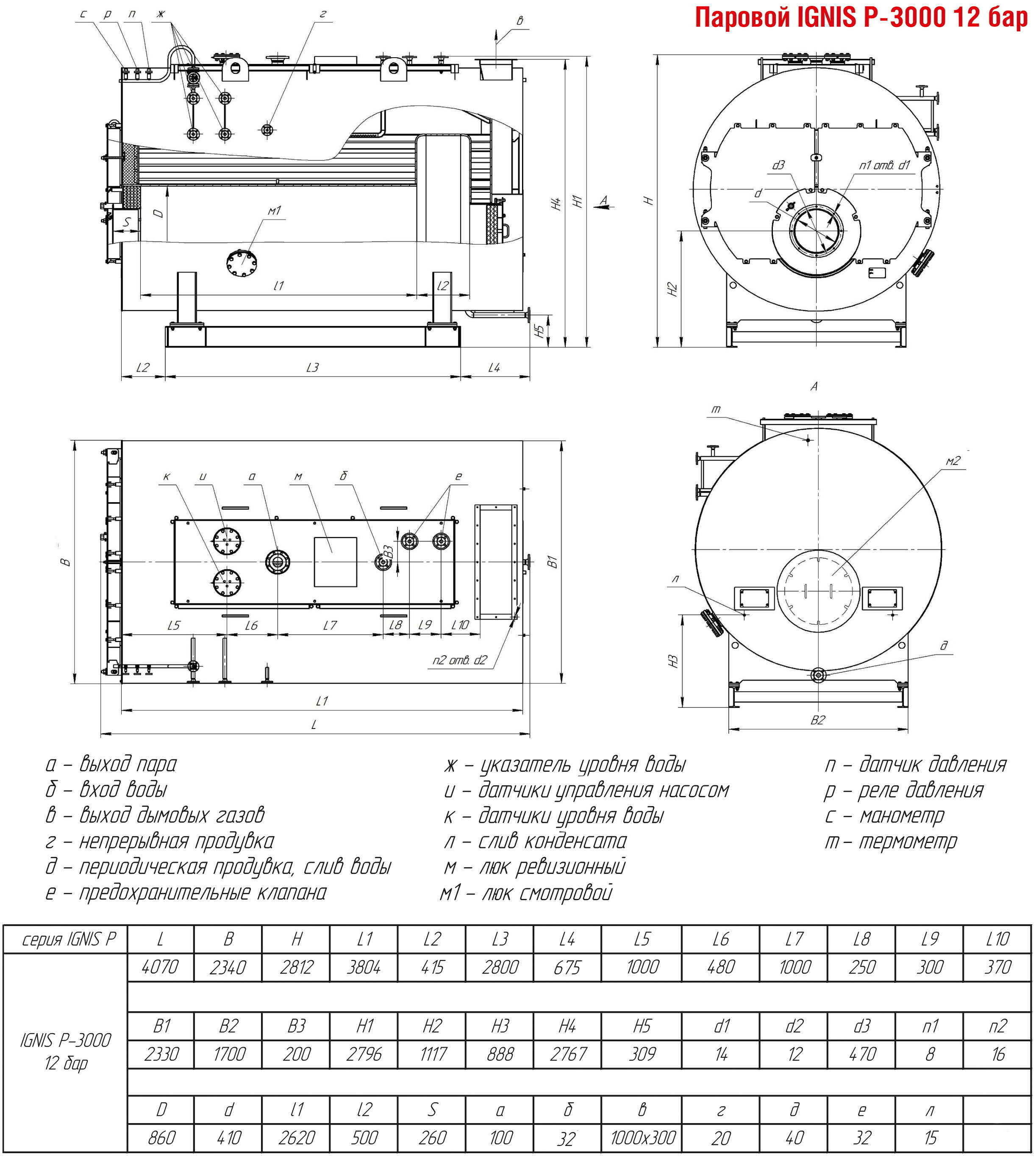
Назначение: выработка насыщенного водяного пара.
Вид топлива: природный газ ГОСТ 5542, дизельное топливо ГОСТ 305.
Расчетный срок службы: 20 лет на природном газе.
Базовый комплект поставки: котел, экономайзер, эксплуатационная документация, дополнительная комплектация (по согласованию с заказчиком).
Рекомендуемые услуги
|
Характеристики |
IGNIS Р-3000 12 бар |
|
Вид топлива |
Газ/дизель |
|
Паропроизводительность, т/ч |
3,0 |
|
Теплопроизводительность, МВт |
1,9 |
|
Средний эксплуатационный КПД с экономайзером (газ), % |
92,5 |
|
Температура, °С |
|
|
Рабочее давление воды, МПа/бар, не более |
1,2/12 |
|
Гидравлическое сопротивление котла по воде/пару, кПа, не более |
1,04/2,08 |
|
Аэродинамическое сопротивление котла/экономайзера, Па, не более |
480/220 |
|
Номинальный расход воды через котел, м3/ч |
3,3 |
|
Температура дымовых газов на выходе из котла, °С |
180…280 |
|
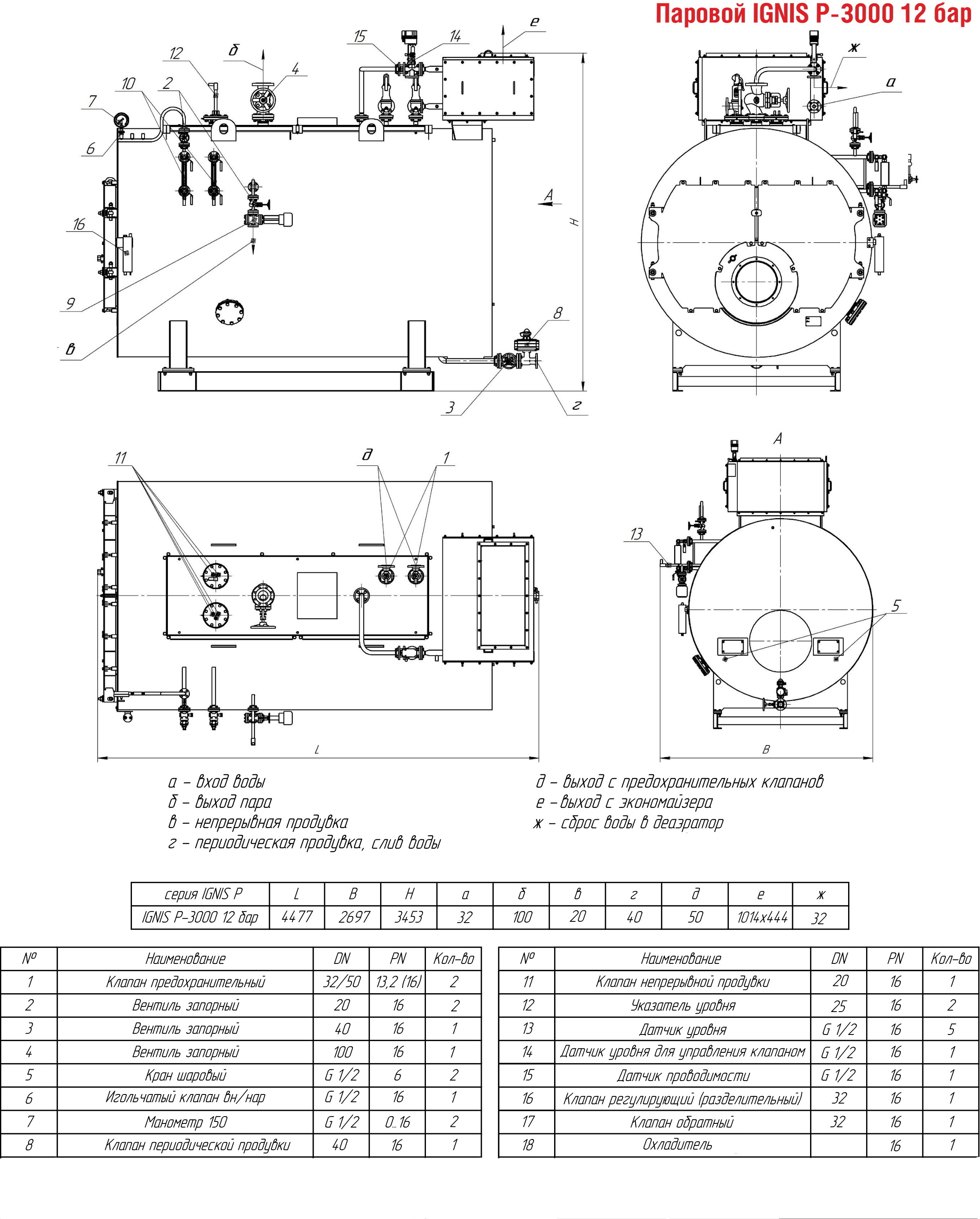
Присоединительные размеры, мм |
100 32 1000х300 |
|
Водяной объем котла, м3 |
6,4 |
|
Габаритные размеры котла по легкой обмуровке, мм |
4070/ 4426 2340/ 2340 2812/ 3453 |
|
Масса котла/ с экономайзером без воды, кг |
8500/ 9120 |
|
Длина топочного пространства, мм |
2620 |
|
IGNIS Р-3000 12 бар |